样片申请 | 简体中文
SiLM141xL/SiLM145xL系列
高抗噪性能RS485收发器
样片申请
SiLM1410L Datasheet SiLM1450L Datasheet SiLM1451L Datasheet SiLM1415L Datasheet SiLM1452L Datasheet
产品概述
产品特性
安规认证
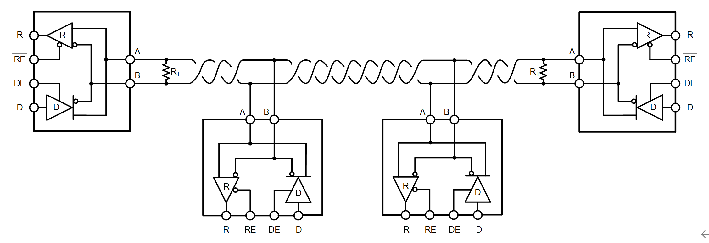
典型应用图
产品概述

SiLM141xL/SiLM145x系列是一款具有高抗噪性能的RS485/RS422收发器,可在恶劣的工业环境中运行。SiLM141x支持500kbps的传输码率,而SiLM145x可支持50Mbps的传输码率。SiLM1415L/SiLM1452L/SiLM1451L支持全双工通信,而SiLM1410L/SiLM1450L支持半双工通信。总线引脚可耐受较高的静电放电(ESD)事件。另外集成的失效保护电路可以保证在总线开路或短路的情况下,芯片的接收管脚输出一个高电平。器件具有扩展的共模电压范围,可在–40°C 到125°C的环境温度下可靠工作,使其非常适合应用于长线缆、多节点的应用中。

产品特性

满足或超过TIA/EIA-485 标准的要求

最高传输码率

500kbps: SiLM141xL

50Mbps:SiLM145xL

通信方式: 

 - 半双工通信:SiLM1410L/SiLM1450L

 - 全双工通信: SiLM1415L/SiLM1452L/SiLM1451L

差分输出超过2.1V, 实现PROFIBUS与5V电源兼容

扩展级共模运行范围:±15V

用于噪声抑制的大接收滞回阈值

总线ESD:

 - ±15kV: SiLM1415L/SiLM1452L/SiLM1451L

 - ±20kV: SiLM1410L/SiLM1450L

环境温度:–40°C 到 125°C

适用于热插拔功能的无干扰上电、断电

开路、短路和空闲总线失效保护

1/8单位负载 (可支持多达256个总线节点)

安规认证
典型应用图

image.pngimage.png

产品参数表

展开过滤器
Part Number Duplex Input VCC (V) Data Rate Fault Protection Voltage (V) Common-Mode Range (V) Enable Operating Temp(℃) Package Group Packing/QTY
SiLM1410LCA-DGHalf3 ~ 5.5500kbps-18 ~ 18-15 ~ 15DE, /RE-40 ~ 125SOP8Reel/2500
SiLM1415LGC-DGFull4.5 ~ 5.5500kbps-18 ~ 18-15 ~ 15DE, /RE-40 ~ 125MSOP10Reel/4000
SiLM1450LCA-DGHalf3 ~ 5.550Mbps-18 ~ 18-15 ~ 15DE, /RE-40 ~ 125SOP8Reel/2500
SiLM1451LCA-DGFull3 ~ 5.550Mbps-18 ~ 18-15 ~ 15No-40 ~ 125SOP8Reel/2500
SiLM1452LGC-DGFull3 ~ 5.550Mbps-18 ~ 18-15 ~ 15DE, /RE-40 ~ 125MSOP10Reel/4000
应用案例